首页
/
解决方案
防爆易爆气体输送行业
环保与污水曝气的应用
塑料行业
食品饮料业中的应用
气动输送应用
食品包装与包装行业
医疗中的应用
工业零件清洗应用
电子行业
印刷造纸应用
/
在线选型
高压旋涡风机
单段式旋涡风机
双段式旋涡风机
三段式旋涡风机
空气悬浮鼓风机
磁悬浮鼓风机
/
资料下载
/
关于风维克
/
联系我们
技术报价电话
:
153-1183-9503
中文
English
繁体
1/1
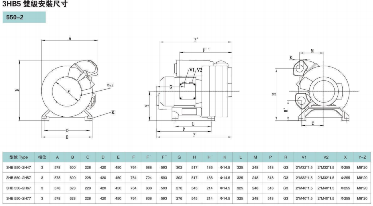
3HB550-2H47
微信
新浪微博
QQ
QQ空间
豆瓣网
百度贴吧
复制链接
脸书
X
有些技术已经好到难以再去改进。WindVic风机便是这种典型。此系列可连续昼夜无故障运行,几乎不会发生任何停机,事实证明已经长达数十年表现出卓越的可靠性
额定功率
5.5KW
频率
50/60Hz
最大流量
480m³/h
真空压力
-270mbar
吐出压力
220mbar
进出口径
G3 3寸
噪音值
70dB
支持定制
高效率节能马达、变频马达、防爆马达、特氟龙涂层、零泄漏密封、防水结构、外置结构、中置结构、联轴器分体式结构、H级180℃绝缘马达、无铜锌、无油型、全球非标电压、PTC热保护、耐高低温型、工程师会根据你的应用工况来为你推荐最合适的产品结构。
15311839503
安装尺寸与曲线
全球风机供应商
微信扫码联系
微信公众号
微信小程序
联系我们
请求报价
最新消息
下载中心
联系我们
张工
15311839503