• 1/1

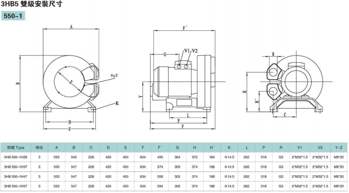
3HB550-1H37

微信
新浪微博
QQ
QQ空间
豆瓣网
百度贴吧
复制链接
脸书
X
有些技术已经好到难以再去改进。WindVic风机便是这种典型。此系列可连续昼夜无故障运行,几乎不会发生任何停机,事实证明已经长达数十年表现出卓越的可靠性
额定功率 4.0KW
频率 50/60Hz
最大流量 480m³/h
真空压力 -230mbar
吐出压力 200mbar
进出口径 G3 3寸
噪音值 69dB
支持定制 防爆电机[BT4/CT4/CT6]、变频电机、特氟龙防腐涂层、风机内无轴承结构、外置轴承冷却结构、联轴器分体式结构、表面禁铜锌、无油清洁型、全球非标电压定制、电机热保护、耐高温型、耐低温型、工程师会根据你的应用工况来为你推荐设计最合适的产品结构。
15311839503
安装尺寸与曲线

真空.png350-1尺寸.png550-1.png